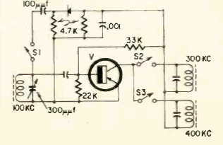
This 300 kHz and 400 kHz two-channel transmitter for TV remote control appeared at Radio Electronics in June 1952. Transistors were already taking over portable applications by this time.

This 300 kHz and 400 kHz two-channel transmitter for TV remote control appeared at Radio Electronics in June 1952. Transistors were already taking over portable applications by this time.
