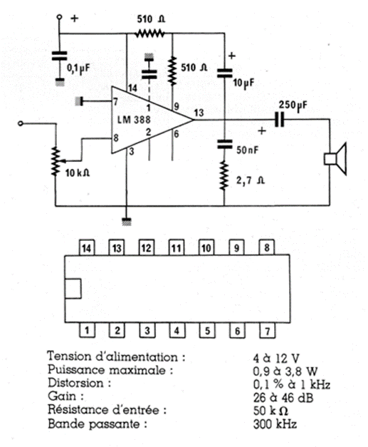
The traditional circuit was taken from a French magazine Radio Plans that no longer exists but can still be assembled as the IC can still be found, although with some difficulty. Power depends on supply voltage and load.

The traditional circuit was taken from a French magazine Radio Plans that no longer exists but can still be assembled as the IC can still be found, although with some difficulty. Power depends on supply voltage and load.
