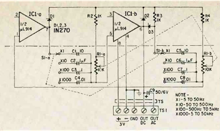
Integrated signal generator appeared in Radio Electronics magazine in January 1968. The integrated circuits are from the time and the generator produces signals from 5 Hz to 50 kHz.
This 9 V battery eliminator was found in Radio Electronics magazine from June 1966. The transistor is of...
Using the ZN1034E which reaches 19 days interval, this is a simpler circuit which can be...
This analog meter circuit was found in the September 1989 issue of Radio Electronics magazine. The source...