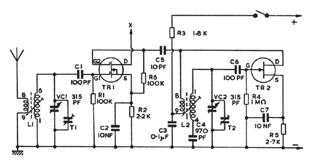
We found this circuit in an old English documentation. Transistors support modern equivalents. The circuit converts signals in the 5 to 15 MHz band for tuning into a common medium wave radio.
This 9 V battery eliminator was found in Radio Electronics magazine from June 1966. The transistor is of...
Using the ZN1034E which reaches 19 days interval, this is a simpler circuit which can be...
This analog meter circuit was found in the September 1989 issue of Radio Electronics magazine. The source...