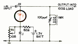
This circuit was found in documentation from the 1950s. Note the low supply voltage. The circuit can also run at much higher frequencies.

This circuit was found in documentation from the 1950s. Note the low supply voltage. The circuit can also run at much higher frequencies.
