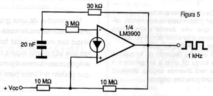
The circuit shown in figure 5 generates square signals based on a transconductance operational amplifier (Norton) type LM3900, from National Semiconductor. The values of the components indicated for this application make it generate a 1 kHz signal, but they can be changed as long as the limit of the operational amplifier, which is a few hundred kilohertz, is not exceeded. The circuit must be powered by a symmetrical source of 6 to 12 V, and the other operational amplifiers of the LM3900, which is quadruple, can be used for another purpose.




