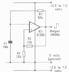
This oscillator generates C1-dependent rectangular 100 kHz signals. The circuit requires symmetric power source.
This circuit was found in Electronics Now magazine and can be applied to any JFET. The circuit has high...
When this alarm is off current drained is very low, only about 60 µA. The circuit can be powered...
This circuit was published in an English magazine from 1977, but it can be easily assembled since...