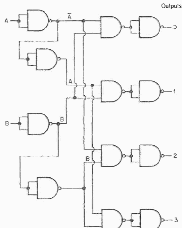
This circuit decodes a two-bit value into four outputs (one of four). The circuit must be powered by a voltage of 5 V.
This circuit is from a PE Hobbyst Handbook from 1991. The integrated circuit is a common 555 and...
The configuration below is suggested by the National Semiconductor Linear Applications Handbook. The...
Other series operationals such as the LM258, LM358 and LM2904 can be used on this circuit of the...