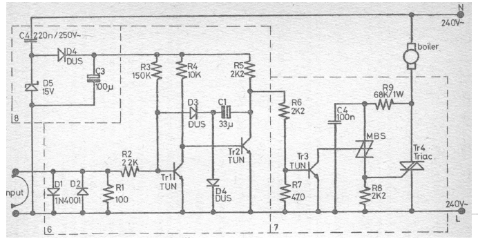
Found in an old English publication, this circuit applies to the 240 V network, but can be changed to lower voltages. Transistors are mostly general-purpose, admitting modern equivalents.
The configuration shown in the figure uses two PNP transistors to activate the load when the input...
This amplifier with a few watts of power was found in a Japanese technical documentation from the...
This selective filter can be used with the previous receiver (CB19446E) in a simple remote-control system....