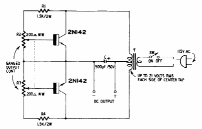
This interesting adjustable power supply uses the transistors themselves as controllers and rectifiers. The circuit is from the 60s, and the transistors are from the time.

This interesting adjustable power supply uses the transistors themselves as controllers and rectifiers. The circuit is from the 60s, and the transistors are from the time.
