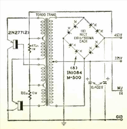
We found this voltage inverter circuit in a Radio Electronics from January 1958. No information was given about the transformer winding.

We found this voltage inverter circuit in a Radio Electronics from January 1958. No information was given about the transformer winding.
