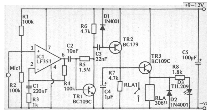
This is the receiver for the previous transmitter. The microphone is of the high impedance ultrasonic type. The circuit activates a relay. The operational amplifier supports equivalent.
This circuit converts the 12 to 13.6 V of a battery into 6 Vwith current up to 1 A. We can use it...
SIDACs are not yet common components in power applications that involve voltage tripping. However,...
We found this circuit for an anti-theft radar that operates at 400 MHz in a Radio Electronics from...