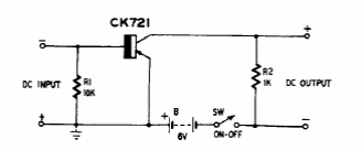
In the figure we have an amplifier from the 50s using the CK721. The circuit has a voltage gain of 5 times with an input resistance of the order of 2500 ohms.

In the figure we have an amplifier from the 50s using the CK721. The circuit has a voltage gain of 5 times with an input resistance of the order of 2500 ohms.
