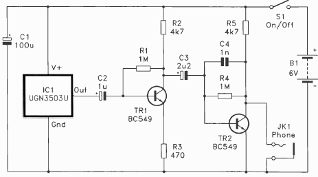
This circuit uses a Hall device from that time as a sensor. The circuit is from an English documentation from 1995. The signal is obtained in a crystal phone or applied to an external amplifier.

This circuit uses a Hall device from that time as a sensor. The circuit is from an English documentation from 1995. The signal is obtained in a crystal phone or applied to an external amplifier.
