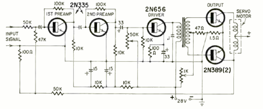
This circuit is from a Radio Electronics from July 1965. The circuit uses components from the time also controlling a servo from the time. The power supply is 28 V.
Found in an Analog Devices documentation from the 90s, this circuit uses a component of the time,...
The A3906 integrated circuit from Allegro MicroSystems (www.allegro.com) consists of a single-step motor...
This circuit makes two lamps (or LEDs) blink at a speed that depends on C1 and C2. Any MOSFET can...