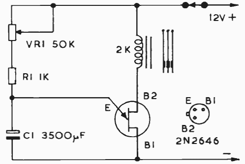
Found in old documentation, this timer uses a sensitive relay and a 2N2646. The time is given by C1. It can be increased if VR1 has values up to 1 M ohms.

Found in old documentation, this timer uses a sensitive relay and a 2N2646. The time is given by C1. It can be increased if VR1 has values up to 1 M ohms.
