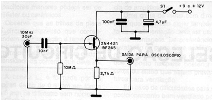
Many oscilloscopes have high impedance inputs that make it difficult to observe high frequency signals in certain cases. With the indicated circuit we can observe signals of frequencies up to 10 MHz, without the problem of impedance matching that can affect the circuit. The junction FET supports equivalents, and as the device's consumption is low, a common 9 V battery can be used to power it.




