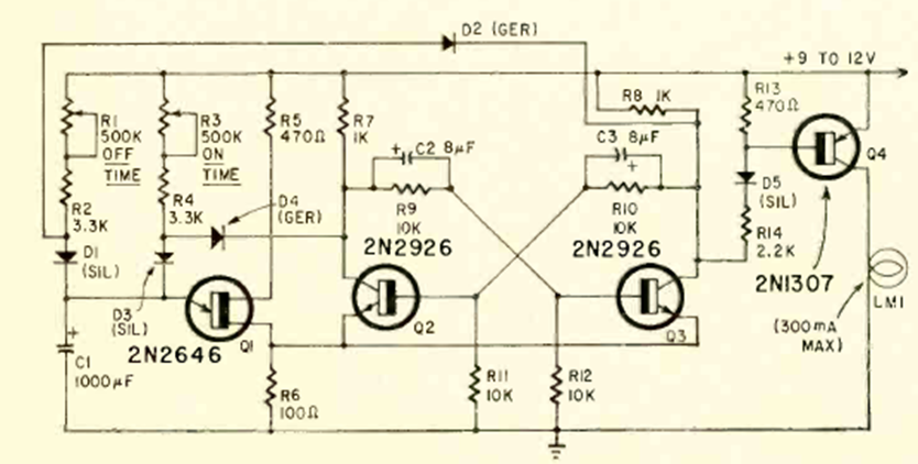
This flasher for incandescent lamps was found in Radio Electronics magazine from July 1968. The frequency and duration of the pulses are adjusted in R1 and R3 depending also on C1.
With the micro-voltage regulator illustrated in the figure, we can design a power supply for small...
This amplifier produces a few hundred milliwatts of Input 100 pF audio over a load of 4 or 8 ohms...
This circuit for the positive front of a rectangular signal was found in an old documentation, but applies...