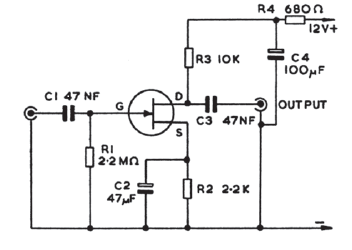
This preamp was found in an old English publication. Any usage JFET can be employed. The output is high impedance.
This circuit is from a 1976 application. The circuit transfers DC signals with total isolation and can be...
This very interesting project was obtained in a 1980 publication. It consists of a device that is...
This modulated transmitter for a light beam communication system was found in the 1991 Electronics...