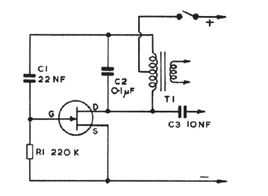
The frequency of this oscillator depends on T1 and C2. The transformer may be of the old audio type. The transistor can be any general purpose JFET.

The frequency of this oscillator depends on T1 and C2. The transformer may be of the old audio type. The transistor can be any general purpose JFET.
