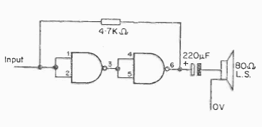
This simple TTL digital amplifier uses NAND gates and a high impedance speaker.
This circuit was found in an American documentation from the 90s. It can be implemented with...
This 2-terminal regulator was obtained from a 1990s National Semiconductor manual. The components admit...
This circuit uses a photocell as sensor and a sensitive relay according the power supply voltage....