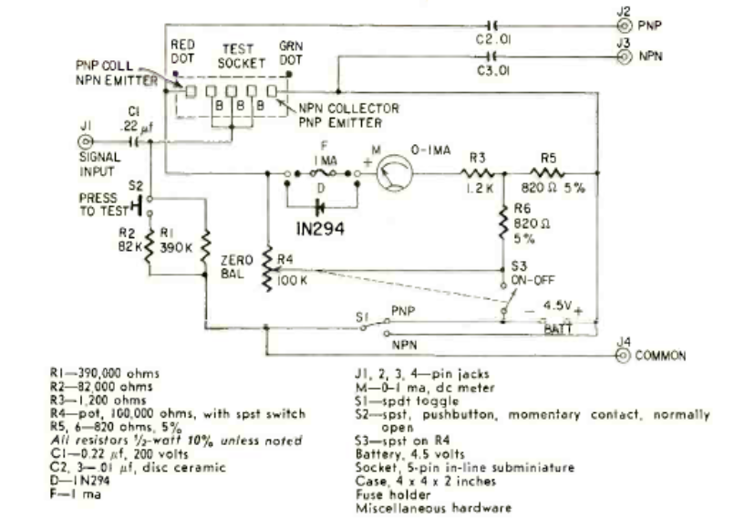
Found in Radio Electronics from May 1959, this transistor tester is quite sophisticated. The circuit uses a 1 mA analog indicator.
In the figure we have the traditional configuration of a phase shift oscillator that produces a...
This circuit produces an intermittent sound in a ceramic piezoelectric transducer, for example, a simple...
If you have a common analog multimeter, you can increase its input resistance in the measurement of...