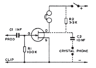
This circuit was found in old documentation. Transistors can be general purpose JFET types and the headphone on the transistor drain must be high impedance.

This circuit was found in old documentation. Transistors can be general purpose JFET types and the headphone on the transistor drain must be high impedance.
