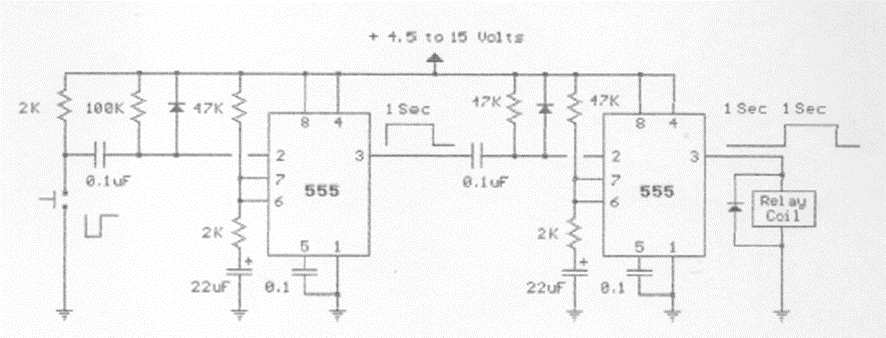
This common 555 circuit was found in documentation from the 90s. The circuit uses two 555s and the timings are given by the capacitors on each of the 555s. The circuit triggers a relay in 1 second. Producing a 1 second pulse.
This common 555 circuit was found in documentation from the 90s. The circuit uses two 555s and the timings are given by the capacitors on each of the 555s. The circuit triggers a relay in 1 second. Producing a 1 second pulse.