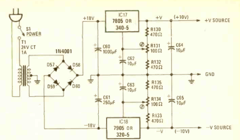
This circuit was found in the March 1979 issue of Radio Electronics magazine. Integrated circuits must be equipped with heatsinks. The maximum current is 1 A.
We found this circuit in an old documentation. The instrument can be an ordinary multimeter in the...
This simple electroscope with bipolar transistors is not the most sensitive, but can detect static...
This circuit was found in an old Popular Electronics. It causes an LED to pulse and, at the same...