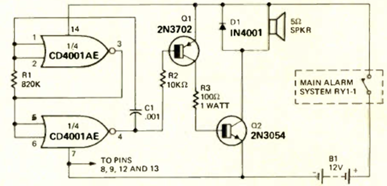
This monotone alarm oscillator circuit was found in July 1975 Radio Electronics magazine. Power is supplied by the output transistor.
We found this circuit in an old documentation. The instrument can be an ordinary multimeter in the...
This simple electroscope with bipolar transistors is not the most sensitive, but can detect static...
This circuit was found in an old Popular Electronics. It causes an LED to pulse and, at the same...