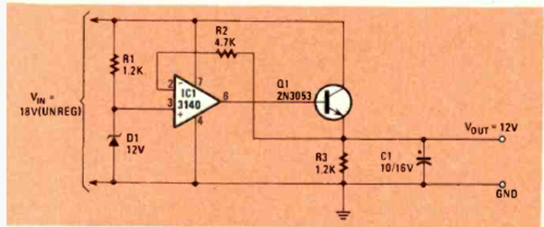
This circuit is from a Radio Electronics magazine from July 1984. The transistor determines the maximum current, and the zener diode the output voltage. The transistor must be equipped with a heat sink.
This circuit is from a Radio Electronics magazine from July 1984. The transistor determines the maximum current, and the zener diode the output voltage. The transistor must be equipped with a heat sink.