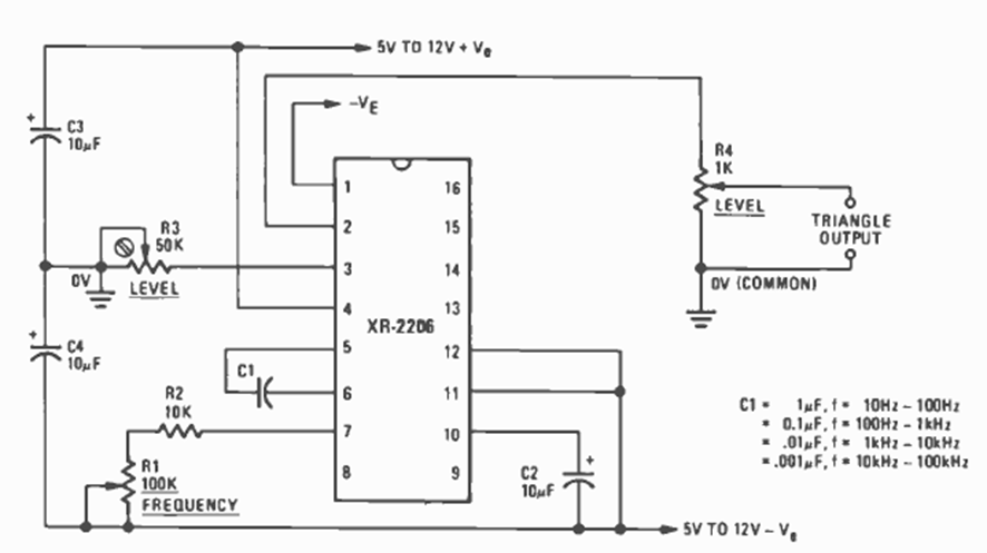
Found in an April 1977 Radio Electronics issue, this circuit uses the well-known XR2206. The C1 values for the various frequency bands are given next to the diagram.
We found this circuit in an old documentation. The instrument can be an ordinary multimeter in the...
This simple electroscope with bipolar transistors is not the most sensitive, but can detect static...
This circuit was found in an old Popular Electronics. It causes an LED to pulse and, at the same...