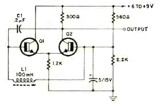
This emitter-coupled transistor LC oscillator circuit was found in the May 1970 issue of Radio Electronics magazine. The frequency is determined by L1 and C1, and the maximum value depends on the transistors used.

This emitter-coupled transistor LC oscillator circuit was found in the May 1970 issue of Radio Electronics magazine. The frequency is determined by L1 and C1, and the maximum value depends on the transistors used.
