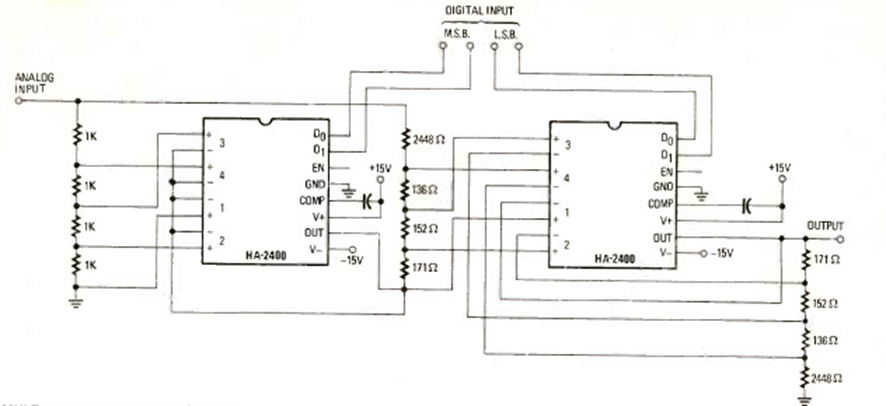
This digital to analog converter circuit was found in the March 1980 Radio Electronics magazine. The power supply should be symmetrical, and the digital controls can be TTL.
The automatic modulated siren circuit shown in the figure really produces an interesting sound...
This circuit was found in the August 1973 issue of Radio Electronics magazine. The Darlington...
This circuit has three settings, central sound frequency, modulation speed and modulation depth. The...