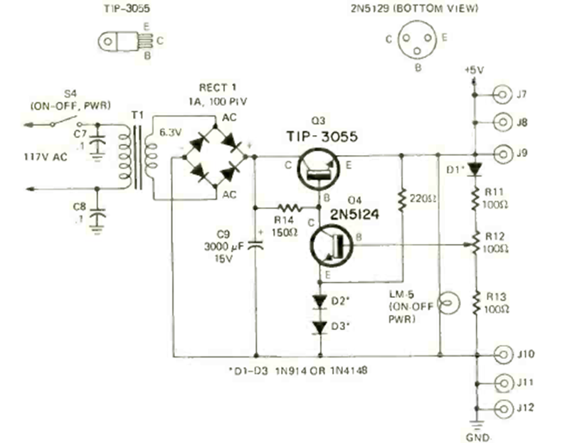
We found this TTL power supply circuit in the December 1972 issue of Radio Electronics magazine. The circuit uses a 1 A transformer and the 2N3055 transistor must be equipped with a good heat sink.
This game was found in an old Popular Electronics. The unijunction transistor can be 2N2646. The...
This circuit interrupts the power supply when grounding is missing. The circuit is from an old...
In figure 1 we have a circuit that turns on after a certain time and then turns off, also after a...