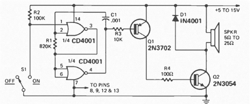
This alarm circuit was recommended by Radio Electronics magazine in December 1974. The power transistor can provide outputs from 0.25 W to 11 E depending on the power supply and must be mounted on a heat sink.
This alarm circuit was recommended by Radio Electronics magazine in December 1974. The power transistor can provide outputs from 0.25 W to 11 E depending on the power supply and must be mounted on a heat sink.