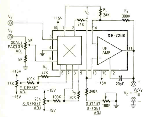
This XR2208 application circuit was found in the April 1978 Radio Electronics magazine. The circuit must be powered by a voltage of 15 V and there is an offset adjustment.

This XR2208 application circuit was found in the April 1978 Radio Electronics magazine. The circuit must be powered by a voltage of 15 V and there is an offset adjustment.
