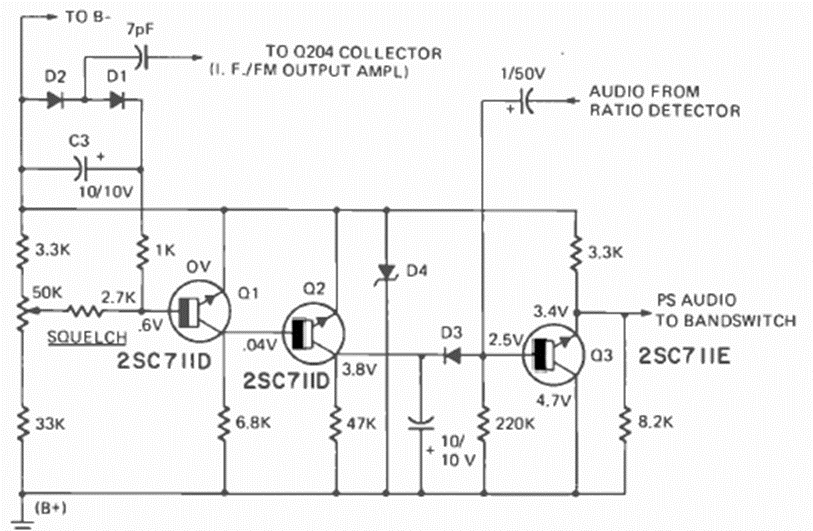
This circuit for communications receivers was found in the January 1974 issue of Radio Electronics magazine. The transistors are Japanese types of the time, as the circuit was part of equipment of that origin.
This circuit is from 1990 documentation. It can be implemented with BC548 transistors instead of...
When you speak into the microphone of this circuit, the sound produced in the speaker resembles a robot...
This circuit uses an operational amplifier that is no longer on the market but can be implemented with a...