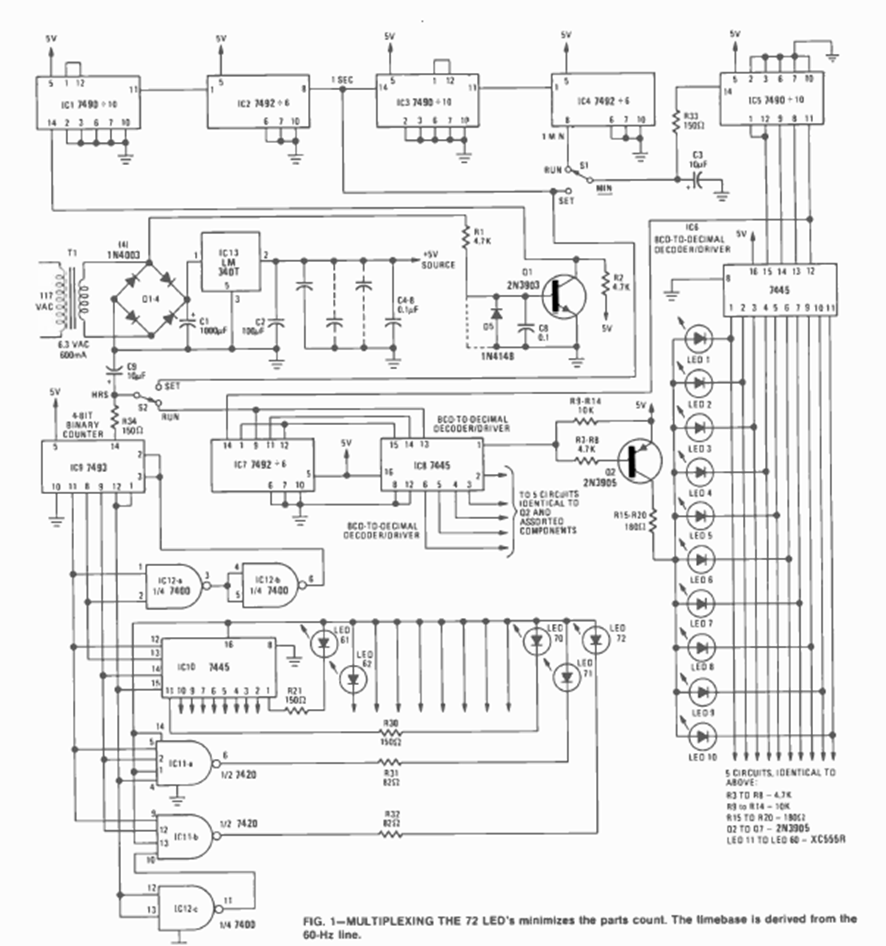
This interesting circuit in which the LED display is circular imitating a common clock appeared in the Radio Electronics magazine of May 1977. The power supply is included.
This circuit is from 1990 documentation. It can be implemented with BC548 transistors instead of...
When you speak into the microphone of this circuit, the sound produced in the speaker resembles a robot...
This circuit uses an operational amplifier that is no longer on the market but can be implemented with a...