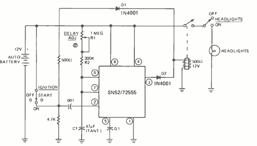
This circuit was found in February 1976, Radio Electronics magazine. The circuit is powered by 12 V and consists of an intermittently triggered timer.
This circuit was found in a 1966 publication using a microwave transistor of the time. The circuit...
This circuit consists of a decoder for remote control that allows the activation of 10 channels based...
The purpose of this circuit is to control magnetic door locks activated by the power grid. The...