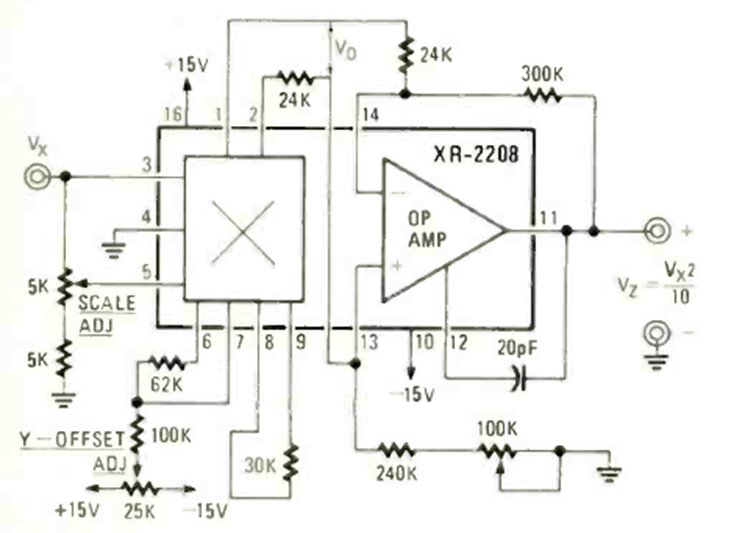
This circuit with the XR2206 IC squares the value of a voltage. The circuit was published in the April 1978 issue of Radio Electronics magazine and should be powered by a symmetrical 15 V source.
We have several circuits like this on the website. What it does is generate a signal in the range...
Found in American documentation from 1968 this circuit is based on discrete components in addition...
By connecting several photocells in series, we can directly activate a sensitive relay, as shown in...