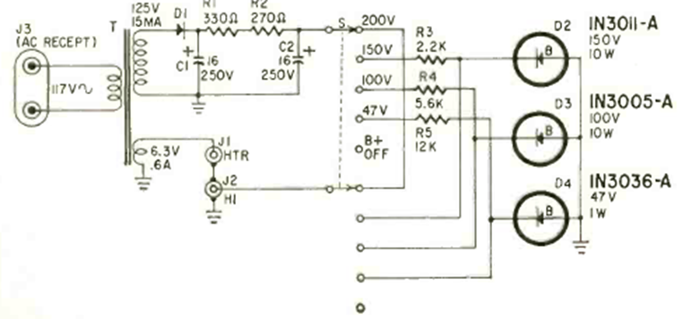
This circuit was obtained from the July 1970 issue of Radio Electronics magazine. Zeners are power types that can provide a good current to the circuit. Selection is made by rotary switch.
August 2017 - Texas Instruments' new integrated circuit BQ25872, a 7-A keyed battery charger with...
This crystal oscillator uses a common transistor and its frequency depends on the crystal used. We...
Found in the April 1995 issue of Electronics Now, this circuit operates at a lower frequency than...