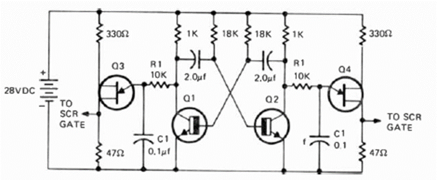
This circuit, which makes an astable multivibrator, was found in the March 1973 issue of Radio Electronics magazine. Its purpose is to trigger SCRs, and is powered by a voltage of 28 V. The transistors are general purpose.
This circuit, which makes an astable multivibrator, was found in the March 1973 issue of Radio Electronics magazine. Its purpose is to trigger SCRs, and is powered by a voltage of 28 V. The transistors are general purpose.