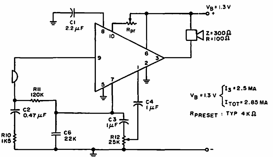
This very low power amplifier is designed by Amperex for hearing aids. It is based on TAA370 which is not an integrated circuit that can be found today.
This circuit for high-impedance magnetic headphones was suggested as an experimental amplifier for hearing...
This circuit is suitable for use with 1400 kHz range FI receivers. Changes can be made to other IF...
When the control level is increased from 0 to 1 (LO to HI), this circuit is activated, which...