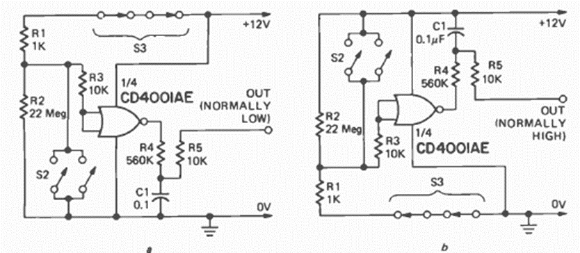
These circuits prevent bouncing in alarm systems. The circuit indicated is for sensors connected in parallel.
This interesting circuit, which can be used as an alarm, was found in a 1997 documentation. It...
The figure shows how to implement a No – OR or NOR function with 1 general purpose transistor. The supply...
This circuit was obtained in Linear Technology documentation from 1993. The circuit provides 3.3 V and...