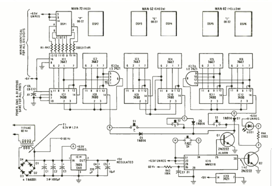
Found in a November 1977 Radio Electronics magazine, this digital circuit was described in an article that taught how to assemble it. The 6-digit circuit is a clock.
This circuit is suggested by Sanyo and is based on the integrated circuit LA4430, manufactured by it. With a...
This circuit can be used with 3 receivers and is intended for low frequencies (medium wave range). We...
The circuit shown is suggested by National Semiconductor in its 1994 Linear Applications Handbook. We...