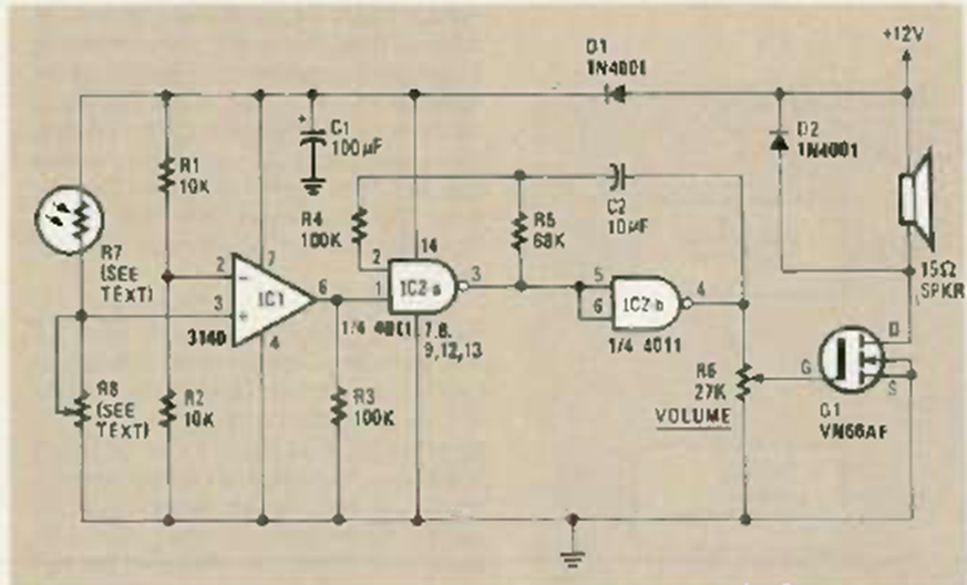
Using the CA3140 integrated circuit, this switch was found in the June 1986 Radio Electronics magazine. Sensitivity adjustment is made at the trimpot in series with the sensor.
We found this circuit in an old documentation. The operational amplifier used is uncommon today, but...
We found this circuit in a technical documentation from Texas Instruments. The signal is...
We found this circuit in a documentation from the 50s. It is based on CK722 germanium transistors. The...