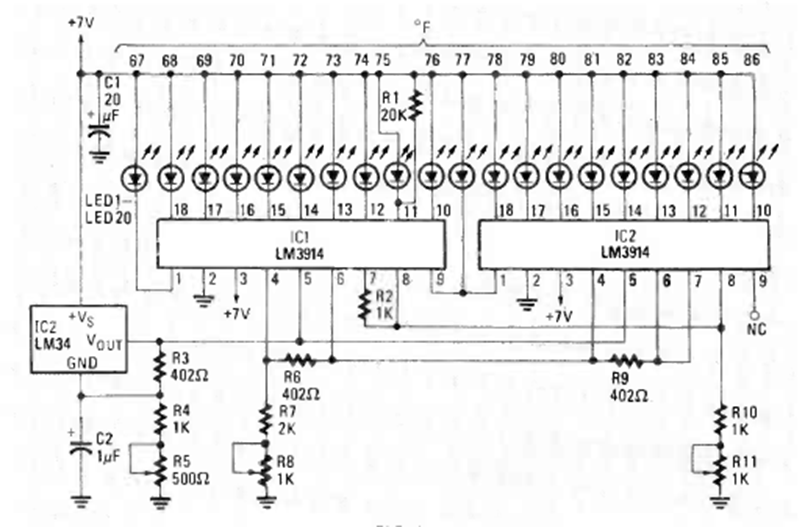
This bargraph circuit was found in the January 1986 issue of Radio Electronics magazine. It is based on the well-known LM3914 and has two of them in cascade driving a good number of LEDs.
This circuit uses a 555 (according to the diagram) to generate 50 ms tone bursts at a frequency of 1.5...
The input frequency of a signal applied to this circuit will be divided by one to 9999 in this...
This circuit is the conventional use of the 7805 as a constant current source up to 1 A. The...