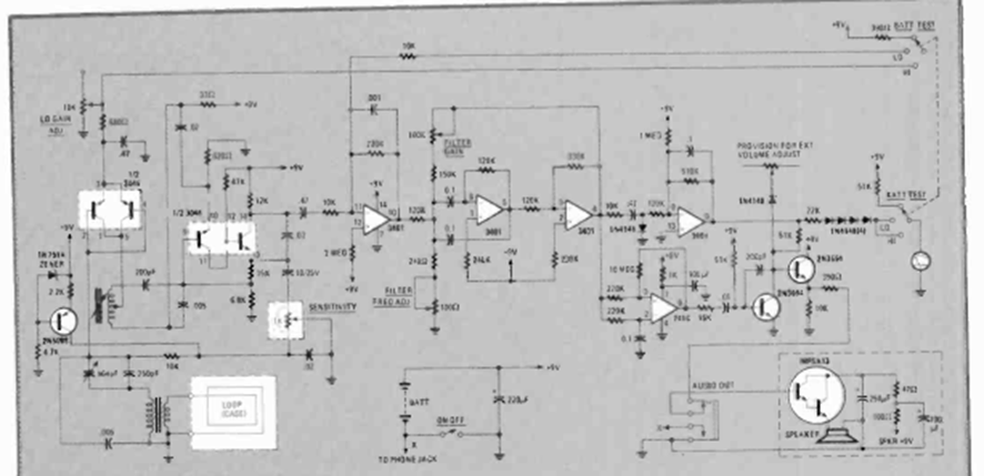
This is the receiver for the above circuit published in November 1980 Radio Electronics magazine. The coils should be tuned to the same frequency and placed in quadrature at two meters from each other on a horizontal rod.
This is the receiver for the above circuit published in November 1980 Radio Electronics magazine. The coils should be tuned to the same frequency and placed in quadrature at two meters from each other on a horizontal rod.