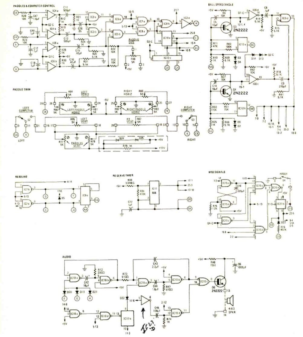
This is one of the first games that came out in the 70s. This one is from a Radio Electronics magazine from June 1976 using components from that time. The game is the tele-tennis that was soon released here in a simpler and better performing version.




