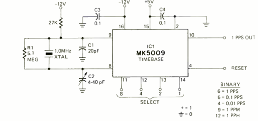
This crystal time base is part of a project published in the August 1972 Radio Electronics magazine. The frequency is given by the crystal. The circuit is a frequency divider that from a 1 MHz crystal provides 1 pulse per second. Or as selected.
This crystal time base is part of a project published in the August 1972 Radio Electronics magazine. The frequency is given by the crystal. The circuit is a frequency divider that from a 1 MHz crystal provides 1 pulse per second. Or as selected.