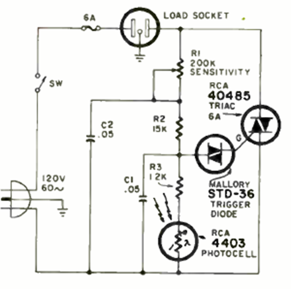
This circuit, which was common at the time, was found in the February 1973 issue of Radio Electronics magazine. It is used for incandescent lamps and the sensitivity adjustment is made by R1.

This circuit, which was common at the time, was found in the February 1973 issue of Radio Electronics magazine. It is used for incandescent lamps and the sensitivity adjustment is made by R1.
