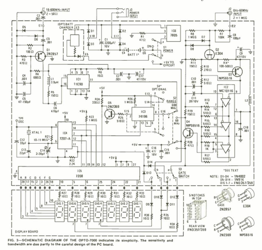
We found this circuit in the January 1979 issue of Radio Electronics magazine. Components are still common today, with the 7106 display driver standing out.
This 16-bit circuit was found in a 2005 Linear Technology application manual. The circuit uses...
July 2017 - The Texas Instruments TAS5782M Closed Feedback- Class D Amplfier Evaluation Module can now...
We found this circuit in a 1970’s Philips documentation. The circuit uses components from that time....