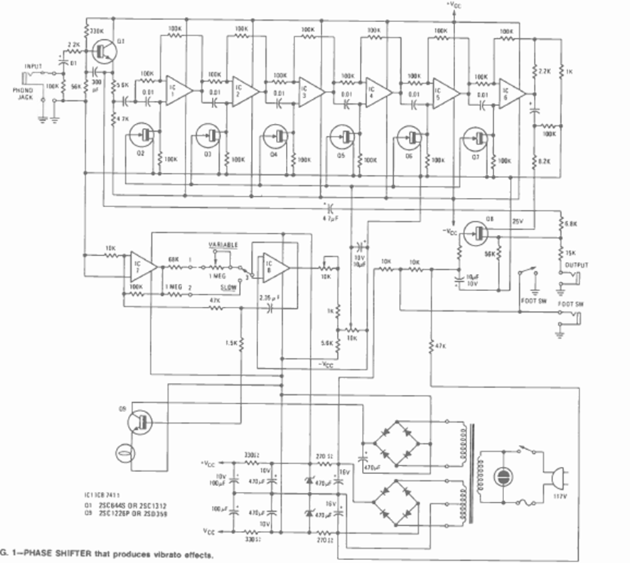
The purpose of this circuit found in the September 1977 issue of Radio Electronics magazine is to produce the vibrato effect. It is a phase shift circuit working with common operating systems.
This interesting circuit records a few seconds of audio signals, reproducing them in a small...
July 2017 - Texas Instruments' new 3 A bq25601 single cell battery charger can be found on Mouser...
This circuit shows how to control a TTL logic gate with a phototransistor. The phototransistor supports an...